Twoja najlepsza opcja projektowania
DDScad zapewnia wydajną pracę projektową, teraz jeszcze bardziej zaawansowaną dzięki najnowszym ulepszeniom w wersji 19. Od modelowania MEP i dokumentacji po przepływy pracy OPEN BIM, DDScad wspiera Cię na wszystkich etapach planowania projektu. Odkryj ulepszenia i nowe funkcje, które pomogą Ci usprawnić proces projektowania i zapewnić jeszcze większy sukces.
Co nowego?
W wersji 19 DDScad jeszcze lepiej wspiera Cię w projektowaniu wszystkich obszarów MEP.
Przegląd nowości
Dzięki DDScad 19 możesz z łatwością projektować dzięki nowym funkcjom modelowania. Masz natychmiastowy dostęp do danych, dzięki czemu szybciej uzyskujesz szczegółowe informacje. Dodatkowo wersja 19 umożliwia płynniejszą współpracę, co pozwala uniknąć nieporozumień.
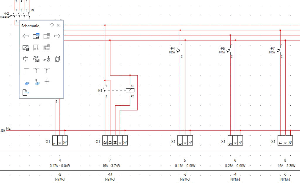
Przejrzysty widok projektu tablicy rozdzielczej
Wygeneruj schemat poglądowy przedstawiający wszystkie tablice rozdzielcze, ich wzajemne połączenia i strukturę wewnętrzną – a wszystko to na łatwym do zrozumienia widoku.

Przeciągnij i upuść, aby uzyskać intuicyjny projekt tablicy rozdzielczej
Szybko i łatwo przeciągnij i upuść jednokreskowe obwody i komponenty na liście obwodów – widoki obwodów są automatycznie aktualizowane. Ponadto przeciągnij i upuść komponenty z listy obwodów do pozycji montażowej projektu szafy.

Efektywniej modeluj drabinki kablowe i systemy zarządzania kablami
Udoskonalenia w obsłudze drabinek kablowych, listew kablowych i systemów zarządzania kablami oznaczają, że można teraz prowadzić kable do i z systemu zarządzania kablami. Dodatkowe funkcjonalności:
- Połączenie drabinek kablowych od boku
- Bezpośrednie połączenie pomiędzy różnymi typami drabinek kablowych
- Płynne łączenie kanałów kablowych z drabinkami kablowymi i listwami kablowymi

Prowadnice kablowe z obliczeniem stopnia wypełnienia – projektowanie w sposób praktyczny
DDScad w wersji 19 oferuje jeszcze więcej opcji modelowania tras kablowych. Użyj w swoim projekcie kabli z prowadnicami kablowymi i monitoruj ich nośność, obliczając stopień wypełnienia.


NOWA TECHNOLOGIA DANYCH PRODUKTÓW
DDScad 19 wprowadza ulepszone funkcjonalności OPEN BIM
Zaktualizowany interfejs Relux: Eksportuj wiele pokoi
Jeśli używasz Relux do projektowania oświetlenia, docenisz ulepszony interfejs, dzięki niemu projektowanie jest łatwiejsze i szybsze. Przenieś wiele pomieszczeń jednocześnie z modelu budynku DDScad do Relux dzięki elastycznemu projektowaniu oświetlenia w wersji 19.

Wiele źródeł zasilania dla tablic rozdzielczych
Tablice rozdzielcze mogą być teraz zasilane z wielu źródeł zasilania. DDScad oblicza i dzieli obciążenie, aby następnie poprawnie wyświetlić je automatycznie w dokumentacji rozdzielnicy. Jest to szczególnie przydatne przy projektowaniu systemów elektrotechnicznych dla wrażliwych typów budynków, takich jak np. szpitale.

Filtr wizualizacji: Wygodna analiza wymiarów sieci rurociągów
Przejrzyste wyświetlanie różnych wymiarów sieci rurociągów. DDScad oznacza wymiary komponentów zgodnie z konfigurowalnym schematem kolorów, ułatwiając analizę całego systemu.

Ulepszone projektowanie systemów wody pitnej
Stwórz obieg zimnej wody w systemie wody pitnej, który spełnia wysokie wymagania jakościowe. Użyj trójnika do modelowania linii systemów pierścieniowych – jest to wygodne i oszczędzające czas usprawnienie.

Obliczenie obciążenia chłodniczego: Wyświetl wynik zgodnie z VDI lub ASHRAE
Zachowując zgodność z wytycznymi VDI 2078 i ASHRAE, rozszerzone okno dialogowe obciążenia chłodniczego prezentuje teraz jeszcze bardziej szczegółowe wyniki obliczeń. Wyświetl wyniki w swoim planie, każdy z własnym szablonem etykiety tekstowej pomieszczenia.
